Science Behind Tukii

Documented architecture and electronics

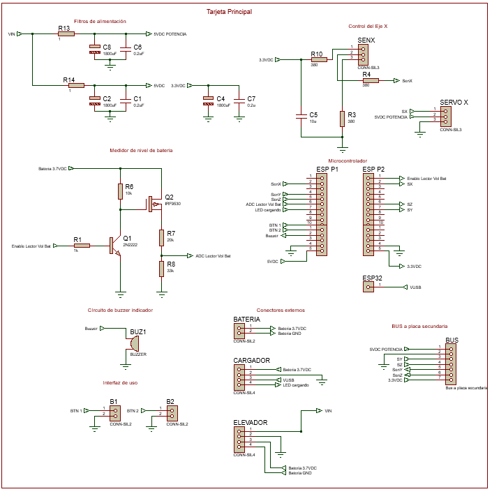
Diagrams extracted from the thesis that document the robotic system.

Control electronics block diagram

Control electronics block diagram

Secondary board for axis control.

Secondary board schematic

Main control board schematic

Main control board schematic

Microcontroller connector and signals.

ESP32 microcontroller connections